1.
概述
USB Type-C標準的出現是為了滿足不斷增長的現代設備之間的連接需要,它在傳統USB標準的基礎上提供了更高的電源傳輸能力和資料傳輸速度,重新設計的連接器體積更小、使用起來更方便。
表1將舊有的USB標準和USB Type-C標準放在一起進行了比較。
|
連接器外觀
|
連接器觸點
|
資料傳輸速度
|
容許通過的電流電壓指標
|
|

USB 1.x/2.0 標準插頭
|

1 = VBUS,4 = GND
3 = Data+, 2 = Data-
|
USB 1.0/1.1 :
低速: 1.5Mbps
全速: 12Mbps
USB 2.0 :
高速: 480Mbps
|
5V/500mA
BC1.2 : 5V/1.5A
(專用於充電系統)
|
|

USB 1.x/2.0 小型插頭
|

1 = VBUS, 5 = GND
3 = Data+, 2 = Data-
4 = ID : 接地代表主機,浮空代表外設
|
|

USB 1.x/2.0 微型插頭
|

1 = VBUS, 5 = GND
3 = Data+, 2 = Data-
4 = ID : 接地代表主機,浮空代表外設
|
|

USB 3.0插頭
|

1 = VBUS, 5, 8 = GND
2 = Data-, 3 = Data+
4 = USB-OTG,
6 = Tx-, 7 = Tx+,
9 = Rx-, 10 = Rx+
|
USB 3.0 :
超速 : 5Gbps
|
5V/900mA
|
|

USB Type-C插頭/座
|
插座 :

插頭 :

Legacy繼續保有 Data-, Data+
新增兩對高速傳輸線Rx1/2、Tx1/2
新增CC1/2用於系統組態
新增VCONN為電纜供電
新增SBU1/2用於sideband/音訊應用
|
USB 2.0 :
高速 : 480Mbps
USB 3.0 :
超速 : 5Gbps
USB 3.1 :
超速+ : 10Gbps
|
默認 : 5V / 1.5A
5V/3A max
USB PD :
5V ~ 20V, 5A max
USB PD 3.0 with PPS
3V ~ 20V, 5A max
|
表1
從表1資訊可以看出USB Type-C標準具有一些新的特性:
- USB –Type-C插頭是可反轉使用的,任一方向插入均可;無論怎樣插入,電源的連接都是正確的。由於插座上含有兩組連在一起的資料線D+/D-,所以插頭以任意方向插入時資料線都是連通的。用於高速通訊的TX/RX不能被連接在一起,所以CC線被用於對電纜的插入方向進行標識,並經由硬體線路對TX/RX進行路由,確保配置正確。
圖1顯示的是USB Type-C插座和電纜插頭的引腳配置。

圖1
- USB Type-C標準相對於舊標準的另一不同點是它引入了雙角色能力。每根USB Type-C電纜的兩端都是完全等同的,這就意味著連接起來的兩台設備必須相互進行溝通以確定自己應作為主機還是外設而存在。角色的溝通需針對資料和電源分別進行,此工作在電纜接通之後就要進行。用於資料通訊的主機埠被稱為下行埠 (Downstream Facing Port, DFP),外設埠被稱為上行埠 (Upstream Facing Port, UFP)。而電源方面,供電端被稱為源端 (Source),耗電端被稱為吸端 (Sink)。有的設備既可以有資料上的雙角色 (Dual Roles of Data, DRD) 能力,又具有電源上的雙角色 (Dual Roles of Power, DRP) 能力。CC線在兩台設備連接期間能起到定義電源角色的作用。
- USB Type-C系統帶來的另一個好處是較高的供電能力。傳統的USB電纜只容許提供2.5W功率,USB Type-C電纜則容許提供高達5V/3A即15W的最大功率,如果採用了電源傳輸 (Power Deliver, PD) 協定,電壓電流指標就可以提升到20V/5A即100W的最大功率,這就容許通過USB埠為大型設備如監視器等設備供電,也容許對含有大型電池包的筆記型電腦等設備進行充電。新的USB PD 3.0協定還支援可程式設計電源 (Programmable Power Supply, PPS) 協定,容許對匯流排電壓和電流進行精確調節,而電壓則可以低於5V。利用這樣的協定,使用可調的匯流排電壓對電池進行直接充電的高效直充系統就成為可能,這時的匯流排電壓可以低達3V。標準的Type-C電纜額定的負載能力是3A,當更高的電流出現時,含有電子標籤的電纜就必須被使用了,其中的電子標籤可經CC線對電纜的能力進行標識。電子標籤需要的電源供應是5V的,可用CC線經由電纜的VCONN向其提供。
- 經由TX/RX線對提供的10Gbps高速通訊能力使得原來須由專用電纜提供的通訊如HDMI / DisplayPort/Thunderbolt等經由USB電纜進行傳輸成為了可能,4k的高清視訊訊號傳輸也完全沒有問題。使高清HDMI信號經由USB Type-C電纜傳輸的應用需要將電纜的資料線進行特殊的配置,這被稱為替換模式 (Alternate Mode)。
下面的圖片給出了一些USB Type-C應用的例子,與之相關的立錡IC出現在其中。

圖2
圖2顯示的是典型的手機快充解決方案,其中的電源適配器可以根據手機充電電路的需要提供5V、9V、15V、20V等可調的USB匯流排電壓。

圖3
圖3顯示的應用與圖2差不多,但是加入了USB PD 3.0支援的可程式設計電源功能,匯流排電壓可在很寬的範圍內進行精確調節。由於經過擴展以後的匯流排電壓可以低達3V,直充的概念已經可以實施,VBUS可以和電池直接連接起來,USB PD 3.0協定可對電池電壓和電流進行精確調節。

圖4
在圖4顯示的車載充電應用中,車輛電池的供電被轉換為5V或9V以滿足手機電池管理晶片的要求,而手機也可通過資料連結向車輛娛樂系統提供音訊等資料。

圖5
當需要向大型設備如筆記型電腦等供電時,需要使用較高的匯流排電壓。圖5所示的是從車輛電源提供90W功率給筆記型電腦的解決方案,其中用到了Buck-Boost轉換器。由於筆記型電腦需要較高的匯流排電壓,必須使用USB PD協定。由於電流需要高達4.5A,所用電纜也必須是使用了電子標籤的主動式電纜。

圖6
支援USB電源傳輸協定的電腦顯示器可以像圖6所示的那樣為筆記本電腦提供電源供應,它也同時通過同一根電纜的替換模式接收需要顯示的資料資訊。

圖7
圖7示範了一個電源供應站的樣子,它可以連接多台設備,向它們提供電源,並且完成它們之間的資料路由工作。

圖8
瞭解了USB Type-C介面以後,便知道會存在將其它埠與之連接起來的需要。圖8顯示的是一個USB Type-C和HDMI介面之間的轉換電纜,它的匯流排電壓總是5V的,其電路部分可直接從匯流排上獲取電源供應。
2.
USB Type-C標準進行資料和電源配置的方法
資料的傳輸 :

圖9:未扭轉、未翻轉的直接連接
圖9顯示的是電纜未扭轉、插座未翻轉時的連接狀態。從左側的插座到右側的插座,RX1線對連接到TX1線對,RX2線對連接到TX2線對;D+與D+連接,D-與D-連接,SBU1與SBU2連接,CC1經由CC線與CC1連接。
USB 3.1僅需使用兩對資料線,在此案中,高速資料經由RX1+/-和TX1+/-從一端傳遞到另一端。
電纜兩端的VCONN是不需要連通的。為電纜中電子標籤IC供電的VCONN來自電纜的一端,它在電子標籤晶片被確定存在於電纜中即被提供。

圖10:電纜扭轉以後的連接
在插座位置不變的情況下,將電纜扭轉以後的連接狀態顯示在圖10中。
在這種情形下,從左側的插座到右側的插座,RX1線對連接到TX2線對,RX2線對連接到TX1線對,D+仍然連接到D+,D-仍然連接到D-,SBU1連接到SBU1,SBU2連接到SBU2,CC1經由CC線連接到CC2。現在,高速資料經由左側的RX1+/-和TX1+/-到右側的RX2+/-和TX2+/-進行傳輸。
總共有4種可能的連接方式:插座翻轉或不翻轉,電纜扭轉或不扭轉。
在USB 3.1的系統中,RX/TX資料線需要使用多工器針對各種可能的電纜連線狀態對RX/TX線的連接狀態進行配置,使得正確的通訊連接能夠形成,圖11顯示了USB Type-C埠之間資料線的路由可能性。通過測量每個端子上CC1/2的狀態即可瞭解電纜和插座的方向,CC邏輯控制器可據此完成多工器的路由配置,此工作既可在多工器中完成,也可能在USB晶片組中進行。

圖11
電源傳輸:
在不採用電源傳輸協定的USB Type-C介面中,電源從源端傳輸到吸端的方法如圖12所示。

圖12
USB Type-C的源端總是包含有一個用於接通/關斷VBUS的MOSFET開關,它也可能具有VBUS電流的檢測能力,其主要作用是對過流狀況進行檢測,另外還會含有VBUS的放電電路。CC1和CC2的檢測電路在源端和吸端都會存在。
CC (Channel Configuration) 線的作用是對兩個連接在一起的設備進行電源供應的配置。初始情況下,USB Type-C介面的VBUS上是沒有電源供應的,系統需要在電纜連線期間進行設備角色的定義,插座上的CC線被上拉至高電平的設備將被定義為電源供應者即源端,而被下拉至低電平的設備將被定義為電源消費者即吸端。

圖13
圖13顯示出了確定電源供求角色、電纜方向和電流供應能力的方法。源端的CC1和CC2通過電阻Rp被拉高,被監測著的CC1/CC2在沒有連接任何東西時總是處於高電平,一旦吸端接入,CC1或CC2的電壓就被電阻Rd拉低了。由於電纜中只有一條CC線,因而源端可以分辨出是哪個CC端被拉低了。吸端的CC1/CC2的電壓也同樣被監測著,一旦發現某條CC線被拉高了,其電壓水準就讓吸端知道源端電流供應能力。電路中的上拉電阻Rp也可以用電流源代替,這在積體電路中很容易實施,而且可以不受V+電源電壓誤差的影響。
吸端的下拉電阻Rd的定義值是5.1kΩ,因而CC線的電壓是由源端上拉電阻Rp的值(或電流源的電流值)決定的。已經定義的匯流排電流能力有3檔,最低的CC線電壓(大約0.41V)對應的是預設的USB電源規格(USB 2.0的500mA 或 USB 3.0的900mA),較高的CC線電壓(大約0.92V)對應的電流能力是1.5A。假如CC線電壓為大約1.68V,對應的最大電流供應能力為3A。相關資料可參照圖14。

圖14
圖15示範了一個測量案例,其中的電源供應端(源端)被連接到了電源消費端(吸端),使用了普通的USB Type-C電纜。
|

圖15
|
最初的時候,源端插座上的CC1和CC2都被電阻Rp上拉至高電平,吸端的CC1和CC2都被下拉電阻Rd下拉至低電平。
電纜接通以後,CC1或CC2根據電纜的插入方向而被上拉至較高電壓。本案中的電纜沒有處於扭轉狀態,源端的CC1和吸端的CC1之間被接通,CC1上出現由Rp和Rd分壓以後的電壓,此電壓將由吸端進行測量並由此知道源端的電流供應能力是多少。
在此案例中,接通以後的CC1的電壓大約是1.65V,意味著源端最大能供應3A電流。
CC線的連接被確定以後,VBUS上的5V電壓將被接通。
在不含電源傳輸協定的系統中,匯流排上的電流供應能力由分壓器Rp/Rd確定,但源端只會供應5V電壓。
|
引入電源傳輸 (Power Delivery, PD) 協定以後,USB Type-C系統的匯流排電壓可以增加到最高20V,源端和吸端之間關於匯流排電壓和電流的交流通過在CC線上傳輸串列的BMC編碼來完成。
包含PD協定的USB Type-C系統從源端到吸端的系統框圖如圖16所示。

圖16
現在的源端內部包含了一個電壓轉換器,它是受源端PD控制器控制的。根據輸入電壓條件和最高匯流排電壓的需求,該電壓轉換器可以是Buck、Boost、Buck-Boost或反激式轉換器。經過CC線進行的PD通訊也在PD控制器的管控之下。USB PD系統還需要有一個開關可以將Vconn電源切換至一條CC線上。(參見後文關於電子標籤IC的章節。)
當電纜的連接建立好以後,PD協定的SOP通訊就開始在CC線上進行以選擇電源傳輸的規格:吸端將詢問源端能夠提供的電源配置參數(不同的匯流排電壓和電流資料)。由於吸端對電源的需求常常是與吸端的系統有關的(例如電池充電器),吸端的嵌入式系統控制器就需要先與吸端的PD控制器進行通訊以確定相應的規格。
圖17示範的是吸端的PD控制器申請一個較高的匯流排電壓的例子。

圖17
吸端和源端之間在CC線上進行的通訊看起來像如下的樣子:
1. 吸端申請獲得源端的能力資料。
2. 源端提供它的能力資料資訊。
3. 吸端從源端提供的能力資料資訊中選出適當的電源配置參數並發出相應的請求。
4. 源端接受請求並將匯流排電壓修改成相應的參數。在匯流排電壓變化期間,吸端的電流消耗會保持盡可能地小。源端提升匯流排電壓的過程是按照定義好的電壓提升速度來進行的。
5. 匯流排電壓達到最後的數值以後,源端會等待匯流排電壓穩定下來,再發送出一個電源準備好信號。到了這時候,吸端就可以增加其電流消耗了。當吸端希望匯流排電壓降低的時候,同樣的通訊過程也會發生。
在匯流排電壓下降期間,源端會啟動一個分流電路,通過主動的匯流排放電使匯流排電壓快速降低。達到額定值以後,源端會等待一段稍長的時間讓匯流排電壓穩定下來,然後再送出一個電源準備好信號。
這樣的通訊方法可確保匯流排上的任何電源變化都落在源端和吸端的能力範圍內,避免出現不可控的狀況。當Type-C電纜的連接被斷開時,匯流排上的電源也被關斷,任何新開始的連接都會進行電纜連線檢測,電壓也總是處於5V,這樣就可以避免在電纜接通時有高電壓從一台設備進入另一台設備 。
USB PD通訊使用的是雙相標記碼 (Bi-phase Mark Code, BMC),此碼是一種單線通信編碼,資料1的傳輸需要有一次高/低電平之間的切換過程,資料0的傳輸則是固定的高電平或低電平。每個資料包都含有0/1交替的前置碼、報文起始碼 (Start of Packet, SOP)、報文頭、資訊資料位元組、CRC迴圈冗餘編碼和報文結束碼 (End of Packet, EOC),參見圖18。

圖18
圖19展示的是一次要求匯流排電壓升高的PD通訊的波形從密集至展開的樣子,從最後展開的波形中可以看出前置碼的序列。

圖19
BMC通訊資料可以用USB PD解碼器進行解碼,Ellisys的EX350分析儀就是這樣的設備。有了這種工具以後,PD通訊的資料就可以被捕獲下來並顯示出每個資料包的意義,其中含有與時間相關的資料如匯流排電壓值、CC線上的波形等,參見圖20。

圖20
電源配置清單
USB PD 3.0規範定義了下列電源配置清單:

圖21
有4個獨立的電壓值是預先定義好的:5V、9V、15V和20V。對於5V、9V和15V來說,最大的電流為3A。在20V的配置中,如果電纜是普通的,最大容許的輸出是20V/3A即60W。假如使用了特別定制的含電子標籤電纜,相應的資料可以放大到20V/5A即100W。一個系統在支援最高的電壓和功率等級的情況下還必須同時支援所有的較低的電壓和功率等級。
有電子標籤的電纜
USB Type-C規範定義了各種不同規格的電纜。低速的USB 2.0電纜沒有特別的要求,只是要求其電流承載能力要達到3A。支持超速資料傳輸的USB 3.1電纜或是電流承載能力超過3A的電纜必須使用電子標籤進行標識。圖22所示的電纜中含有IC,其作用就是對電纜特性進行標識。這種具有活力的電纜也可以包含用於信號整形的IC,它們都需要從電纜的VCONN端子獲得電源供應。

圖22
含有電子標籤IC的電纜中的Vconn上都含有1kΩ的下拉電阻Ra,其值要小於典型值為5.1kΩ的電阻Rd。這樣的電纜在插入時,源端都會看到CC1和CC2電壓下降的情況,具體的電壓水準將告訴主機哪個端子被吸端的5.1kΩ電阻下拉了、哪個端子被電纜的1kΩ電阻下拉了,因而電纜的插入方向就可以被確定下來。Ra的下拉作用也能讓源端知道VCONN需要得到5V的電源供應,因而需要向CC端供電以滿足電子標籤的電源需求。
圖23顯示了一個測試案例,電源供應端(源端)被使用了電子標籤的電纜連線到電源消耗端(吸端),其中的電纜是處於扭轉的狀態 。
|

圖23
|
從中可以看到,當電纜接通以後,源端的一條CC線被來自VCONN端的1kΩ低電阻拉到了很低的電壓。
源端將檢測到此電壓,並由此知道電纜中含有電子標籤,於是就會將5V的VCONN電源接入CC線以實現對電纜內部電路的供電。
在其後發生的PD通訊中將會包含源端和電子標籤之間的通訊(稱為SOP’或SOP”)以及源端和吸端之間的通訊(稱為SOP)。
|
電源的雙重角色
有的USB Type-C設備既可做源端,又可做吸端,它們被稱為支援雙重角色的設備 (Dual Role for Power, DRP)。這種設備的CC1和CC2端在互連以前處於高低電平交替變換的狀態,一旦連接發生,兩者的CC端都會發生改變,如圖24所示。

圖24
在這次連接事件中,左邊的DRP設備選擇做了源端,右邊的DRP設備選擇做了吸端。這個情形也可能反轉過來,除非一台DRP設備已經被設定為源端優先(例如它由外部電源適配器供電時),或是被設定為吸端優先(例如處於由電池供電的情形)。
電源角色的轉換在連接期間也是可以發生的,只要連接在一起的兩台DRP設備中有一台設備發起了角色變換的要求就行,圖25顯示了這樣的角色變換的過程。

圖25
3.
立錡提供的USB Type-C PD方案
從USB Type-C PD規範被制定的時候開始,立錡就是USB-IF的會員,因而能隨時掌握標準的發展狀況。針對USB Type-C PD的應用,立錡已經開發了大量的創新型方案,如採用PD協定的電源適配器、電子標籤IC、車載充電器、用於手機等移動產品的PD控制器等,有些還被使用在採用最新的USB PD 3.0協定的直充系統中。圖26展示的是一些評估板卡和適用于各種USB Type-C PD應用的開發板。

圖26
在需要使用PD協定的USB Type-C介面電源適配器中,反激式控制器RT7786與二次側的USB Type-C PD控制器RT7207是一對絕配,它們的組合能輸出3V-20V電壓,內嵌的同步整流驅動器能將損耗降到最低,在大電流應用中表現良好。
USB Type-C 控制器RT1715體積很小 (1.38x1.38mm CSP),能力卻相當強大,可用於源端、吸端和雙重角色的PD應用中,支援USB PD 3.0協定,提供VCONN電源,支援交替模式,智慧手機、硬碟、平板電腦的需求都可滿足。
RT1711P是全功能的USB Type-C控制器,可用於源端、吸端和雙角色PD應用中,包含有完整的電源路徑管理能力、外部直流轉換器輸出電壓控制能力、VBUS放電能力和VBUS電流檢測能力,支援USB PD 3.0協定、VCONN供電、交替模式,支援幾乎所有的USB Type-C應用。
RTQ7880是含有Buck-Boost控制器的車用級USB Type-C PD應用的源端控制器,可在極寬的輸入電壓範圍內工作,利用其Buck-Boost架構在車載電源環境下可提供5V/3A至20V/5A的輸出能力,支援USB PD 3.0協定、VCONN供電、交替模式和可程式設計的電纜壓降補償,是眾多應用的優選器件。
RTQ7881是集成了Buck控制器的USB Type-C介面PD協定源端控制器,具有與RTQ7880類似的特性,可在輸入電壓比所需最高輸出電壓高的環境下提供良好的輸出性能,是眾多USB Type-C 源端應用的理想選擇。
RT1710是用於被動和主動式USB Type-C電纜中的電子標籤IC,支援SOP’通訊,集成了Ra,可由電纜的任意一端之VCONN進行供電,集成了隔離二極體、MTP記憶體,可通過I2C介面或CC通道對其進行VDM資料寫入。
4.
使用RT7786和RT7207的PD電源適配器
傳統的USB介面電源適配器只需提供5V輸出,功率等級也很低,其設計可以說是非常簡單的。採用USB PD協議的電源適配器就不再是老樣子了,其輸出電壓是可變的,變化範圍還很寬,還需要輸出很高的功率,而常規的旅行充電器又要求具有很小的體積,因而很容易遇到發熱問題。
反激控制器RT7786是根據USB PD規範的需要進行了特別優化的設計,它能提供很寬的輸出電壓範圍,有自我調整的環路增益控制系統去保證長期工作的穩定性,有自我調整的過流和過壓保護特性,具有很寬的Vdd工作電壓範圍,有足夠的能力去驅動大型MOSFET,同時兼具30mW的待機功耗和能夠帶來低EMI問題的智慧抖頻系統。
被放在二次側的RT7207可對輸出電壓和電流進行即時的檢測,再將滿足輸出電壓控制需要的信號經過光電耦合器輸送給一次測的反激式控制器。RT7207集成了BMC編碼收發器,可用其內部集成的MCU去完成符合USB PD協定的通訊。它集成了電荷泵電路,使得同步整流電路的驅動器可在輸出電壓低於4.5V時仍能很好地工作,因而容許輸出電壓低達3.3V(對RT7207K來說是3V),容許以可程式設計電源 (Programmable Power Supply, PPS) 的方式工作以滿足直充應用的需求。它內部集成的同步整流驅動器能以DCM或CCM模式工作,能在重負載下提高轉換效率。RT7207含有OTP記憶體,它的很多參數都是可以被設定的,如過流保護、過熱保護以及纜線壓降補償的參數均可設定。RT7207也可被用於符合BC1.2規範的專用充電器應用中,可將D+/D-端子用於輸出電壓和電流的設定中。使用RT7786和RT7207構成的電源適配器的基本電路顯示在圖27中。

圖27
關於CC1/CC2耐壓的說明:在USB Type-C介面的連接器上,CC1/CC2與VBUS緊靠在一起。由於連接器引腳之間的距離非常小,電纜連線和斷開的時候很容易發生CC1/CC2與VBUS短路的狀況,因而可能出現在CC1/CC2端子上的電壓就高達20V。為了確保高可靠性,以RT7207為代表的所有立錡USB PD產品的CC端都具有22V的耐壓能力。

圖28
RT7786 + RT7207D構成的參考設計可以用於性能評估,圖29展示的是一個60W的USB PD旅行充電器的參考設計,可在全電壓範圍內輸出5V、9V、15V和20V,負載能力為3A。

圖29
此設計的外形尺寸為53x50x23mm3,在60W輸出時的效率超過93%,無負載時的待機功耗低於50mW,已經通過USB IF的認證測試,符合DOE-6和CoC Tier-2對電源效率的要求,具有很好的熱性能。
5.
USB Type-C介面和PD協定在車載充電器中的應用
USB Type-C介面車載充電器
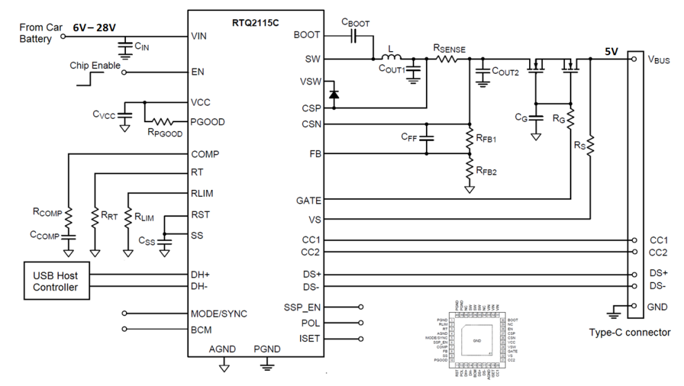
當前,USB Type-C介面正在向車用領域進行滲透,很多車輛開始引入USB Type-C介面,可以提供5V電壓,負載能力達到3A。對於這樣的應用,標準的USB Type-C介面控制器加上Buck轉換器即可滿足需要,圖30所示的就是一個單純採用USB Type-C介面的車載充電器的方案原理圖。
|

圖30
|
RTQ2115C是輸入電壓範圍為3V-36V的將USB Type-C介面控制器和3.5A Buck轉換器集成在一起的車用級產品,專門針對下行埠的應用。它含有CC線的檢測和電流宣示功能,能進行VBUS電流檢測和開關控制,能為VCONN提供電源供應,能進行電纜方向檢測,還能利用D+/D-進行符合BC1.2規範的SDP/CDP/DCP模式設定以及相關的檢測工作。
|
採用USB Type-C介面和PD協定的車載充電器
為了在車輛中實施USB Type-C介面結合PD協定的應用,車輛電池電壓範圍和需要輸出的VBUS電壓範圍必須被綜合考慮。假如電池電壓比較高,輸出只有5V/3A和9V/3A兩個規格,集成了Buck控制器和USB Type-C介面PD協定控制器的RT7881就可以在此時發揮作用,其原理圖如圖31所示。

圖31
|

圖32
|
RT7881的控制核心是ARM Cortex-Mo處理器,與通訊、控制及保護有關的電路都在它的統一指揮下運作,一些比較關鍵的保護特性則主要由硬體電路來完成,如涉及過壓保護、過流保護的部分即是如此,這樣可以確保其回應速度是足夠快的。輸出電壓的調節以12mV為步進間距,因而可以非常精確,纜線電阻造成的壓降補償也可以得到修正,可程式設計電源 (Programmable Power Supply, PPS) 功能對它來說實在是小菜一碟。圖32顯示的是用RT7881製作的EVB,其外部尺寸就是車載充電器通常容許的樣子。
|
全範圍輸出的USB Type-C介面PD協定車載電源
如果車載電源要給出USB PD協議所定義的全範圍輸出 (5V-20V),此時要選擇的轉換器架構就必須是Buck-Boost了,車用級產品RTQ7880在此時就可以派上用場,它可是將Buck-Boost轉換器和USB Type-C介面PD協定控制器完全集成在一起的,圖33顯示的是它的應用電路圖。

圖33
由此構成的Buck-Boost轉換器包含了全橋驅動器,當它運作于Buck模式時,QA和QB將進行開關動作,QD總是處於導通狀態,QC總是處於斷開狀態;當它運作于Boost模式時,QA恒時導通,QB恒時斷開,QC和QD進行開關動作;而這兩種模式之間的切換是無縫銜接的,對運作的影響非常小。
與RT7881類似,RTQ7880的核心也是ARM Cortex-M0處理器,所有的運作都由它進行控制。
RTQ7880之Buck-Boost控制器是完全可配置的,其工作頻率可調,電流可檢測,可以運行在PWM或PSM模式,輸出電壓可以12mV的級差進行調節,容許對纜線電阻造成的壓降進行補償,完全支持可程式設計電源 (Programmable Power Supply, PPS) 功能。RTQ7880使用電荷泵對MOSFET的驅動進行供電,它的CC1/CC2端子具有超過20V的耐壓能力,可對VCONN提供電源並進行過流保護,容許負載高達100W (20V/5A) 的輸出。
|

圖34
|
RTQ7880既可以製作單一功能的充電器,也可以和含有路由開關的通訊器件一起構成多功能的系統。
圖34顯示的RTQ7880評估板具有提供60W (20V/3A) 輸出的能力,它的上面那塊板是被稱為Richtek Bridge Board的通訊板,可讓它和PC連接起來以完成狀態獲取和協定控制的工作。
RTQ7880的運行固件位於其內置的MTP記憶體中,你可以通過Richtek Bridge Board對它進行刷新,也可在應用現場通過USB Type-C介面對它進行更新。
|
從RTQ7880的基本特性可以推知,除了作為車載充電器以外,它其實也可以被使用在諸如採用USB PD協定的顯示器和集線器等產品中,它內含的Buck-Boost控制器使得它幾乎可從任意地方獲得電源並向其負載供電,因而其應用是不受限制的。
6.
支援USB Type-C/PD應用的雙角色控制器
在早期的USB標準中有USB On-The-Go (OTG) 可使USB介面既能作為受電端、又能作為供電端來使用,到了USB Type-C階段,電源雙角色 (Dual Role for Power, DRP) 控制器可使一個USB Type-C介面既能被配置為源端、也能被配置為吸端,而且還能根據需要對電壓轉換器的輸出電壓進行調節。在立錡科技的USB Type-C/PD控制器中,有很多是具有DRP功能的。
|
型號
|
支援PD版本
|
負載能力
|
電池失效支援
|
CC過壓保護
|
電源路徑控制
|
VCONN支持
|
封裝
|
|
RT1711H
|
USB-PD2.0
|
100W
|
Yes
|
Yes
|
No
|
Yes
|
CSP-9B 1.38x1.34
|
|
RT1716
|
USB-PD3.0
|
100W
|
Yes
|
Yes
|
No
|
No
|
CSP-8B 1.38x1.34
|
|
RT1715
|
USB-PD3.0
|
100W
|
Yes
|
Yes
|
No
|
Yes
|
CSP-9B 1.38x1.34
|
|
RT1711P
|
USB-PD3.0
|
100W
|
Yes
|
Yes
|
Yes
|
Yes
|
QFN-24L 3.5x3.5
|
所有這些器件都是包含Rp/Rd電阻在內的全功能USB Type-C收發器,它們需要與應用系統的MCU通訊以完成USB Type-C介面控制器的操控設置,通訊的介面是I2C匯流排。圖35顯示了兩種典型的在手機中可用的DRP方案的設計方法。

圖35
圖35左側圖形顯示的DRP解決方案使用了一個USB Type-C/PD埠控制器,系統控制器承擔了所有的USB type-C埠的檢測、通訊工作,相關的資訊存儲也由它負責。系統控制器需要讀取寄存器參數並做出相應的決定,根據源端或是吸端的角色作用對MOSFET的動作進行控制,調整電壓轉換器的電壓。在這樣的案例中,RTT1711H、RT1715、RT1716是可供選擇的型號。
圖35右側的DRP方案使用了USB PD埠/電源控制器,它含有外部MOSFET的控制功能,可對電壓轉換器的輸出電壓進行調節,還有資料切換開關的控制能力。這樣的系統的MCU仍然要根據角色的需要讀取寄存器參數並做出決定,但一切都是通過發送命令給PD埠/電源控制器來間接完成的,VBUS匯流排上的保護功能如過壓保護、過流保護等都能在沒有MCU介入的情況下被立即執行。適合這種需要的USB PD埠控制器有RT1711P。
由於許多DRP系統都含有電池,這些系統必須能夠在電池已經失效或是被深度放電的情形下還能進入工作狀態。上面提及的這些控制器都具有電池失效支持功能,意思是只要電纜連線上就能讓電阻Rp處於有效狀態,可讓源端的CC線被拉成低電平,因而可以啟動VBUS使之得到電源供應,而作為吸端的它們的內嵌MCU就能夠由此得到電源供應,使它們能夠在沒有電池或是電池需要充電的情況下就可以進入工作狀態並對電池進行充電。
圖36示範的是在智慧手機中使用USB Type-C介面PD協定控制器RT1715形成的USB Type-C介面DRP方案,RT1715在其中完成CC檢測、通訊等任務,還要為電纜中的電子標籤提供VCONN供應。
|

圖36
|
在此方案中,VBUS的電源控制由系統應用處理器完成,電池充電管理則使用類似RT9466這樣的器件。
系統應用處理器需要讀取RT1715的寄存器資料並決定電源角色,在吸端模式下設定控制電池的充電工作,在源端模式下啟用OTG模式對外供電,電池充電器的電源路徑管理功能被用作VBUS的控制開關。
|
為提高開發者的工作效率,立錡可向開發者提供RT1711H、RT1715和RT1716的評估板。
圖37是RT1715評估板的照片,它包含有嵌入式控制器、電壓調節器和很多用於硬體設定的開關,另有一個採用圖形化介面的工具可用於讀取USB Type-C埠的狀態,設定電源角色,選擇不同的電源配置方案。

圖37
RT1711P是全功能的USB Type-C介面控制器,可用於吸端、源端和雙角色的埠應用中。在圖38所示的RT1711P的DRP應用中,完成雙重角色所需要的路徑控制開關、對外直流轉換器的輸出電壓控制、對VBUS進行過壓檢測和過流檢測及放電電路均包含在其中,可支援USB PD3.0協定、VCONN供電和替換模式應用。由於功能全面,RT1711P可滿足幾乎所有類型USB Type-C介面應用的需要,可用于智慧手機、硬碟、監視器、筆記型電腦、車載充電器等各式產品中。

圖38
圖39展示的是RT1711P評估板的照片,其上含有微處理器、電壓轉換器和完成各種配置的開關,可輸出的電源範圍為5V/3A-20V/3A。利用圖形化的軟體工具可經由板上的微處理器讀取RT1711P的內部寄存器資料以瞭解USB Type-C埠的狀態,設定電源角色,設定各種電源配置資訊。

圖39
7.
USB Type-C介面電纜中的電子標籤
支援USB 3.1的超速資料傳輸或是電流承載能力超過3A的USB Type-C電纜必須被電子標注,這意思是說該電纜的插頭裡將包含一顆小型的IC,其中含有該電纜的特性、資料傳輸的性能、供應商的標識碼等等,它將由源端的VCONN供電,並通過CC傳輸資料。電子標籤IC的內部含有一隻1kΩ的下拉電阻Ra,可將VCONN拉低使源端知道該電纜中含有電子標籤IC。當電纜連通以後,BMC通訊就會在源端和電子標籤IC之間進行。
RT1710是為了給含有電子標籤的電纜提供一個靈活的方案而特別設計的,含有兩個電源輸入端VCON1和VCON2及其間的隔離二極體,嵌入了Rd電阻,使得它可從電纜的任意一端獲得電源供應,如圖40所示。RT1710支援USB電源傳輸協定中的Structured VDM Discover Identity命令以完成SOP’通訊,完全符合USB-IF所定義的規範。它在進行BMC通訊時的信號變化速率是受控的,發生EMI問題的幾率很小。

圖40
雖然大多數電纜都會像圖40所示的那樣使用一顆電子標籤IC,但某些電纜製造商會希望放入兩顆IC,即兩個插頭上都會放入,這樣就可以在電纜中少使用一條線,如圖41所示,這樣就讓兩顆IC都需要從相應的插頭上獲得VCONN的供電。由於只有源端才會向電纜供應VCONN,因而只有一顆IC會進入工作狀態。

圖41
RT1710使用內部集成的多次可程式設計 (Multi-Time Programmable, MTP) 記憶體存儲VDM資料,使用者可以使用立錡提供的程式設計工具寫入資料,圖42是RT1710評估板和程式設計工具的照片。

圖42
在生產和測試過程中,用戶可以使用立錡提供的RT1710生產測試工具完成資料寫入工作。
該測試工具含有LCD顯示幕,可以通過PC的USB埠對它進行控制。

圖43
該測試工具有兩個USB Type-C埠,可對單電子標籤或雙電子標籤的電纜進行資料寫入和測試。該工具對每個用戶來說都是獨一無二的,其中含有特定的供應商標識。VDM資料和電纜序號可在每個程式設計週期得到自動更新,序號將會顯示在LCD螢幕上,用於品質檢驗的通過或失敗的資訊也會顯示出來。
8.
總結
通過介紹USB Type-C標準,我們提到了很多全新的功能,但最重要的還是要理解USB Type-C基本的運行法則,瞭解電源傳輸協議和它新增的能力,這樣才能確定我們在應用中能提出什麼樣的需求。
針對眾多的USB Type-C和PD的應用,立錡持續不斷地擴展其電源管理解決方案,已經在USB Type-C電源適配器、車載充電器、顯示器、移動電源、電纜標籤、雙角色應用等方面積累了很多經驗,可為廣大的使用者提供多種多樣的服務。